6N5P BTL胆机
提供者:j (202.98.180.199)
发布时间:2001-01-28 09:36:48
点击数:25100
喜逢新世纪的新春,搞点新鲜的,做BTL胆机吧!请看这里的电路图。该机乃我的设计制作,
大家看看思路是不是有点新意!
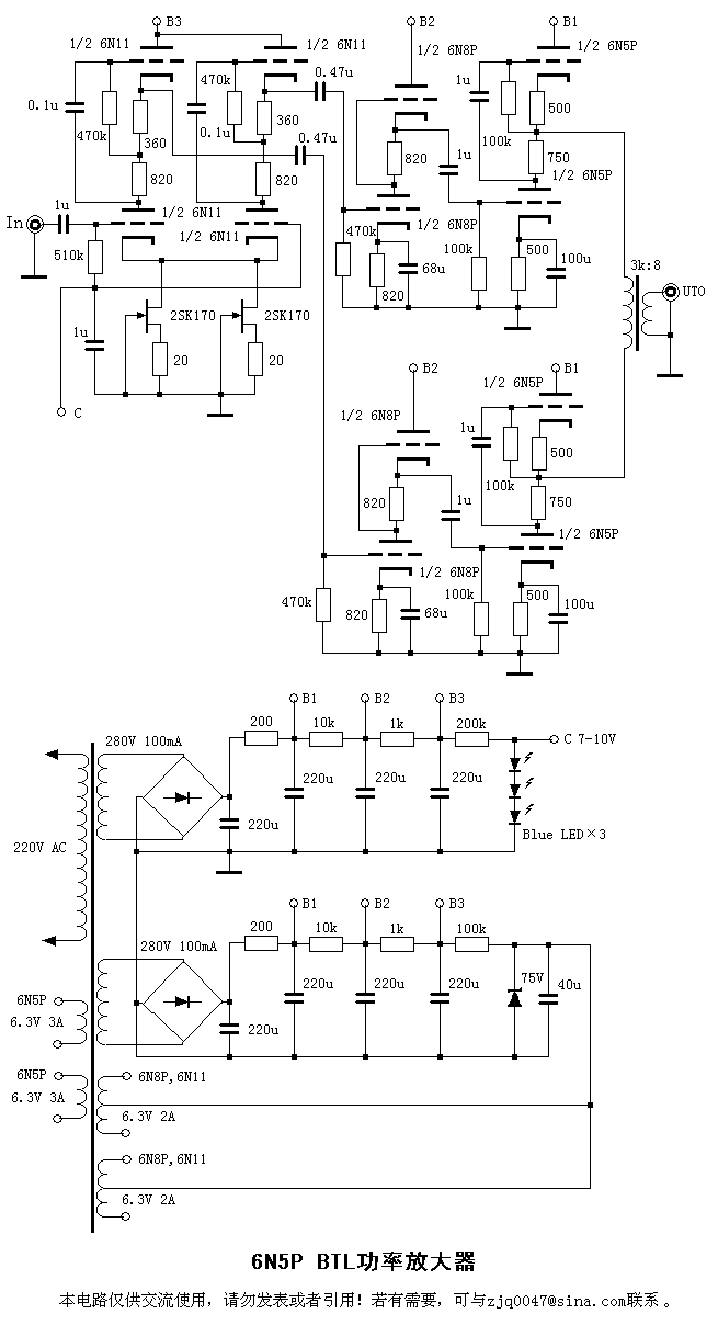
此电路由6N11+6N8P+6N5P的SRPP电路构成,采用对称结构,由6N11差分放大器作为电压放
大与倒相,驱动级是6N8P SRPP,后级用6N5P构成BTL做功率输出,功率20W,内阻约170 ohm。虽
然此机的元件都未刻意挑选,但工作很稳定,后级的失调电压约0.75V、失调电流3 mA。由于前级
使用差分放大,有较高的共模抑制作用,使电路的背景噪声等得到改善,故没有加任何负反馈。输
出使用了变压器,这与晶体管的BTL是有区别的,因为要使管子工作在最佳负载下,具有较高的电
路效率,只有如此。
它的声音属通透、清亮、深邃类型,无一般胆机厚重甜腻感觉,速度、解析力、力度相当
好,靠近晶体管机,空气感与胆机相似。经示波检测,100、1k、10k Hz正弦波波形均较好,无可
见畸变,但方波均有不同程度的高频过冲。目前,声音就向活泼冲动的小伙一样,初步的音效是:
1、钢琴:老柴的《12个月》、萧邦《夜曲》,全音程表现丰满,质感不错,声音准确。
2、吉它:《西班牙古典吉它精选》,聆听数曲均好,丝弦与钢弦可较好区别,细节不错,但
听“哈巴涅拉”一曲觉弦过紧。
3、小提琴:维瓦尔第《四季》、穆特《吉普赛之歌》,声音滑顺、细腻,质感好,松香味、
木琴味清晰。
4、大提琴:《马友友选辑》,低频有厚重感,但感冲击力尚要调整。
5、打击乐:斯托克《???一时想不起了》,以“灿烂”形容不为过,尤其是钢片琴、三角
铁等,十分清脆,使人爽快。
6、竖琴:那个美国女士演奏的JAZZ风竖琴曲,琶音和空气感不错,指法清晰。
7、萨克斯风:多只小曲,JAZZ味很浓。
8、铜管乐:《星条旗》、《桂河大桥进行曲》…,应该说,各种铜管乐器都能区别出其质
感,细节清楚。
9、交响乐:老贝《NO.6》,其气氛使你神游德国农村一趟,乐器有较好分离度,定位好,辉
煌而有序,但觉偏稍薄一点。
10、鼓乐:《炎黄第一鼓》,“鼓诗”有良好表现,气势宏伟,鼓皮可触,大鼓的低音结构
清晰;“夜深沉”一曲韵味极佳。
11、琵琶:《十面埋伏》,指法质感很好,马声、刀剑声…非常形象。
12、笛子:《中国魔笛》等多只小曲,不同的长短、口径的笛子有较明显区别,质感好,吐
气等细节不错。
13、女声:《民歌蔡琴》、邓丽君《岛国情歌》、歌剧《卡门》、《魔笛》、《茶花女》,
对不同演唱合格有良好的气质表现,感情细腻,但齿音稍重。
14、男声:《帕瓦洛第》、《腾格尔》、《美丽的磨坊女》,表现与女声情况基本相同,胸
腔的共鸣音较清晰,可惜男低音唱片没找到,效果不明。
15、合唱:《黄河大合唱》、《苏军合唱团选辑》、《弥赛亚》、老贝《NO.9》的《欢乐
颂》,各声部唱法有条不紊,和声漂亮,气氛感人。
LDH兄对该电路的看法:
J兄的设计简单明了,的确非同凡响。我个人觉得好象差分到相级阵容庞大了些吧?把这个到
相级使用在普通经典电路里面效果肯定非常优秀。但是这个电路里面,由于使用了专用的推动级,
也具有良好的缓冲隔离作用,普通的长尾到相电路也够用了。如果是为了校声那就别当另论了。
j根据LDH兄看法,对电路设计思想的几点说明:
将差分倒相用SRPP方式处理,主要是因为它内阻低,加上FET的恒流源后,具有很高的共模抑
制比,对共模信号有很好的抑制作用。经过实验,它的噪声的确很低,贴近扬声器都听不到有交流
声和其它噪声,所以能使音效非常深邃。但这样处理后,对差模信号还是有些负反馈作用(理论上
应当没有),故此级的放大量仅15-16左右,而6N5P的BTL后级放大量约1.2,如果没有驱动级,
则推力就下降较多。于是采取了6N8P的驱动级。从优化增益分配和简化电路来看,当然用2级最理
想,只要能用6CA10、6C33C…增益较大的管子,就可以去掉驱动级与差分倒相直接驳接。另外,
使用差分电路做倒相,还可以方便地使用环路负反馈(虽然本电路中没用),调校音色,使失真进
一步降低。
用BTL方式做功放,最大的好处是功率增益的效率很高,为单端方式的4倍,音效的平衡感、
动态、通透都有明显改善。同时,在实验中还发现6N5P的声音已变得不象做单端或推挽时那样粗
了,弦乐器比较柔顺(当然是相对来说),这到底是什么作用产生的,现在还不知究里,理论上也
做不出好的解释,有兴趣的朋友可以进一步研究。
这个电路可摩的空间还相当大,希望大家把它作为一种思路看待,不断改进,成为一个经
典。最近,就这个电路我做了不少实验与探索,将总结后发表,那时大家就会掌握它的设计技巧,
看到一个更加完备的电路。
共0条评论
- 共0个1/0页
