当前位置:首页>专题论坛>
  • ·  高清晰音响(作者:卢立立 时间: 点击数: 826)
  • 高清晰音响

    高清晰音响诞生了,它就诞生在中国。简称:GQX,中文命名,汉语拼音,读作:高、清、晰。
    GQX就是全面、快速、合理地追求R的音响。
    R的追求,在高清晰音响电路中,无处不在。
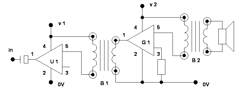
    其中一款经典的GQX,它的主功放电路图如下:


    图1 甲类单端输出的功率放大电路

    朋友,您看懂了吗?可惜至今,还无人能懂。
    U1是卢师傅研发成功的小龙管,甲类单端输出的前级高阻运放。GQX具有比Hi_Fi还要低一个数量级的失真度;更高的速率;更宽的频率响应和优异的线性工作区域。它的特点就是美声。
    G1是高清音响管,称GQX管、或者叫大龙管、金龙管、石管。是规模集成的、以蚂蚁电路为主干的、矩阵高阻高速运放,是GQX理想放大电路。具:高阻、高压、高速、高增益、大功率单端输出。谁掌控了高清音响管的系列产品,就主宰了音响界的未来。它的经济价值,少说也值百多个亿。
    B1、B2高压包,其中的器材就有铁粉芯,其造价低、音色美。是卢师傅把它从地狱中,从新召唤回来的魔鬼变压器。GQX,用上魔鬼变压器、有如用上了彩电上的高压包,用玩胆的方式玩石,这是没有胆的“胆机”,最终,胆、石,殊途同归。
    G1及B1、B2共同组成了甲类单端功放,简称:甲单。供电是无牛的,简直就是一个魔鬼电路。发烧友应该知道,甲单优异的线性工作和无交越失真,是最基本的美声电路。GQX的音色甜美、圆润、真实,得益于用甲单运放推甲单功放的多甲单电路。已往的石机,鲜有单端功放产品。多少Hi_Fi旗舰音响,音色平平。除豪华、典雅、昂贵,更似摆设、烤箱、噪声源。
    家用GQX,超级甲单电路,无功耗低于20瓦,极佳的环保节能电路,比之Hi_Fi旗舰和胆机,节能高达90%以上。
    V1小龙管采用百伏左右的电压供电。
    V2无牛电源,金龙管则采用300伏、600伏、1200伏、甚至1800伏以上的高电压供电。电压越高,音色越美,无牛电路更牛。
    GQX,既有石机的高亢、强劲、快捷、激情;更甚胆机的通透、清亮、圆润、饱满;“高山流水,重现大自然”;音色很美。
    GQX,从根本上完全颠覆了传统的高保真音响的理念,是颠倒的Hi_Fi,是欧阳峰倒练九阴真经。这是全新的理念和独立知识产权的创新制作。在高清理论、美声R公式的指导下,声音美不美的关键在R,是音响设备的内阻和输出阻抗R。
    美声不是什么低失真,美声是R的开平方。美声是可以量化的、可以计算、可以比较、可以预知、可以设计、可以追求。
    GQX,颠倒的Hi_Fi,人们闻所未闻、见所未见、匪夷所思;更令许多专家、学者、发烧友和专刊、杂志、网站、论坛、生产厂家、供货商们,都深感盲然。人们或许要问许许多多的十万个为什么?
    当今世界上,有各国的音响。什么丹麦的;英国的;德国的;美国的;日本的……。日本风格,热情奔放;丹麦风格,田园风光;英国的贵族风范;德国的严谨;美国的霸气。朋友,我们都发烧几十年了,中国音响的风格是什么?有没有人能够回答。除了仿冒、低廉、水货、粗制滥造,还有什么?能不能来点创新的。全新的观念,全新的理论,全新的创作,从高清晰音响诞生的那一天开始,卢师傅就向世人宣告:“高山流水、重现大自然”。这,就是我们中国音响的风格。我是多么的渴望那一天。如果说:有一天,您在音响的标牌上,看到了:“GQX Mdbe in China”。不!“高清晰 中国”。这一天就是我们的节日。
    实质上,世界音响的风格,就一个字:“钱”! 他们的音响,声音的好坏,是拿钱堆出来的。朋友,您有钱吗?很多,很多的钱,过万、数十万、上百万。但是,钱花再多,已经远远不及,我们中国的“高山流水”。
    中国的GQX,平民的音响,超贵族的享受。
    如果当今世界铭胆名机敢来PK GQX,它们根本都不在一个层面上。
    低阻高保真Hi_Fi石机:轻、飘、浮、薄、散、挤、硬、尖锐、粗糙、翁声、背景模糊、细节不清。胆机:高音不高、低音不低、平淡更缺乏激情。这两只电老虎、垃圾,它们的路,早就走到头了。由于它们在技术上的长期呆滞、落后和腐朽,更是造成今日整个音响业,陷入窘境的根本原因。音响界终将会爆发一场革命。
    GQX,它是后次贷经济危机,音响产业奋起的希望。
    朋友们!我们只要把R玩好了,您就能创造出超世界一流水准的音响来。GQX的路才刚刚开始,“重现大自然”,共创和谐社会,需要我们大家的共同努力!如果您的彩电配上了高清晰音响;您的轿车播放着高清音乐;您上网的伴音是高清晰;您的智能手机美声飘渺。GQX重现大自然,将为您创建一个和谐、美好的生活环境。
    请转贴,谢了!
    原广西科学院、广西计算中心退休工程师 卢立立
    1988年毕业于华中理工大学,无线电系,成人班。
    联系电话:13481190841 邮箱:13481190841@126.COM
回复: 上传图片    最大5M,支持jpg,gif,png格式。