当前位置:首页>专题论坛>全部
-
·
有请ae2958
(作者:leisure 时间: 点击数: 181)
- 收藏
-
箱子我周六量了一下,前障板厚2cm,其他五个壁不好量。倒相管长约15cm,管直径3cm,出口处略有放大,为3.5cm,管外段为塑料管,约有3cm长,内段好象是硬纸管,12cm长,内段内侧上方均有小片的矩形毛毡。
·
(作者:leisure 时间:2002-07-15 10:22:31)·
(作者:leisure 时间:2002-07-15 10:23:19)·
(作者:leisure 时间:2002-07-15 10:24:02)·
(作者:leisure 时间:2002-07-15 10:27:32)·
(作者:leisure 时间:2002-07-15 10:29:31)·
(作者:leisure 时间:2002-07-15 10:31:33)·
(作者:leisure 时间:2002-07-15 10:32:03)·
(作者:ae2958 时间:2002-07-15 15:42:04)- 在此先谢谢leisure兄!倒相孔是四个吗?完全样?
-
·
让你心动的--------------------
(作者:zhanrui 时间: 点击数: 114)
- 收藏
-
作为一向以OEM形式与国外经销商合作的音响生产厂家展瑞电子为了在国内树立起自己的品牌形象,推出了一款Audio Art的5.1迷你家庭影院系列,此音响外形比较前卫,音质亮丽,其五个外星箱的外壳由注铝材料组成,低音炮为有源低音炮,5声道输出,预置AC-3,带遥控器,低音单元为8″。
我们目前着力开拓中国市场,真诚希望与各地经销商合作,共同发展。同时我们也希望与OEM形式合作。
由于此产品价格低廉,相信有很大卖点。欢迎来电洽谈。
深圳市展瑞电子有限公司
电话:0755-7880304、7880484 传真:0755-7880304
电邮:zhanrui@963.net
联系人:余先生 13902439708 ansonyu@963.net 麦先生13902441040 miaobi@21cn.com
-
·
GOOD!!!!!!!!!!!
(作者:beyond 时间: 点击数: 44)
- 收藏
-
·
(作者:ldh 时间:2002-07-12 11:14:02)·
(作者:hi-fi之友 时间:2002-07-13 18:37:08)- 版主你好:
小弟现有器材,罗兰,B&W801,想配音源,请指教,本人喜好古典,小品,弦乐,人声,配什么线材比较好
请您指点一二
谢谢·
(作者:ldh 时间:2002-07-13 19:00:37)- 线材要慢慢的去搭配调试才行。想一步到位是很难调校出理想的声音来的。
·
(作者:hi-fi之友 时间:2002-07-13 19:18:26)- 马兰士是一位朋友的藏品,1万大元值不值,请教版主是什么光头,产地,谢谢
- 版主你好:
·
(作者:阿海 时间:2002-07-14 23:56:23)- 前两天,拿了台CD15,经过几天的聆听,感觉此机最大的优点是声音厚暖甜美,是一台很有音乐味
的机子,略带LP味,但个人感觉HIFI性略差,主要表现在分析力稍差,动态不足(底频有点肥)
不建议此机用在SPENDOR,ATC的系统里,但在单拿,B%W等分析力高的系统里应会有很好的表现。·
(作者:ldh 时间:2002-07-15 11:54:55)- 在我的ATC系统上表现非常好,人声弦乐非常美。动态、速度、分析里一点也不含糊。别忘记M15的强项是全平衡,你搭上全平衡输出试一下便知,动态、分析力,一点都不在SONY XA7ES,TEAC VRDS 25 之下的。关键还要看你的功放是否搭配。器材没有十全十美的,咱们总不能找一台音乐感好的就挑剔他HIFI性差,找一台HIFI性好的就挑剔他音乐感差。肯定需要作出一定妥协的。
这是我AB对比时的照片。
- 前两天,拿了台CD15,经过几天的聆听,感觉此机最大的优点是声音厚暖甜美,是一台很有音乐味
-
·
万元左右能买素质到过得去的二手正投吗?
(作者:挪揻的森林 时间: 点击数: 84)
- 收藏
-
-
·
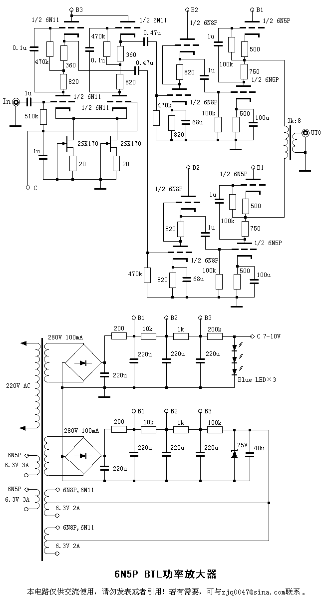
讨论摩机制作-6N5P
(作者:庞波 时间: 点击数: 80)
- 收藏
-
想在网上看看6n5p-btl胆机原理图
-
·
有请LDH兄,以您做箱子的经验,是否能够根据喇叭的频响曲线来决定分用衰减率12dB还是18dB?
(作者:木子。 时间: 点击数: 176)
- 收藏
-
比如我的劲浪905,低音单元是三文治的5w4252的频响曲线和5w4211相类似,如图,原来的分频器是倍频程衰减18dB的,不知道从理论上低通能否改为12dB的,高通部分保持18dB不变,我想象这样可以增加中频的重叠范围,中频听感上有更高的密度。请刘兄给提点意见,因为我手中没有相关的测试设备,这样改有可能出现哪些预期的问题?
·
(作者:木子。 时间:2002-07-12 09:22:08)- 如果改成二阶低通网络,可以节约一个电感线圈,对声音的动态和质感应该有好处吧?
·
(作者:elelee 时间:2002-07-12 10:03:32)- 都说七芯电感好与单芯的,但七芯太贵,想请教木子兄的图中,0.71MH0.52MH有音频信号流过换成七芯应该不错,而高音分频的0.35MH是不是影响不大,用单芯的也一样,请赐教谢谢,另我想自己做一对音箱,哪位老大有绅士宝原厂套件的图纸(8545+9500)请参照www.thlaudio.com/scankit.htm,请不吝赐教,感激之至。
·
(作者:木子。 时间:2002-07-12 10:38:01)- 我朋友那对劲浪Daline 3.1光这次按原厂18dB分频器制作的器件费用:MIT电容、美国LYNK无感电阻、VDH包银喇叭、线、solen七芯无氧铜电感等,算起来这对分频器有2000元出头了,所以,我才想把分频器改成低一阶的12dB形式,可以节约一些费用。绅士宝的制作资料《胆艺轩》的网站上有专集,www.valveart.net ,去找找看吧。
另外,七芯电感的线是由7股无氧铜漆包线绞合而成,有更低的集肤效应,直流电阻也比较低(不如铜箔),对低频的动态和层次感有正面的改善,从成本考虑,高通部分的电感用单芯的就可以了,如果资金允许,七芯更好,起码心理上满足,不然以后有了钱又想改,贵也贵不到哪里去,每只多付不到100元。少抽几盒烟、少打几次牌,少上几次馆子,啥都搞定了。呵呵......- 我朋友那对劲浪Daline 3.1光这次按原厂18dB分频器制作的器件费用:MIT电容、美国LYNK无感电阻、VDH包银喇叭、线、solen七芯无氧铜电感等,算起来这对分频器有2000元出头了,所以,我才想把分频器改成低一阶的12dB形式,可以节约一些费用。绅士宝的制作资料《胆艺轩》的网站上有专集,www.valveart.net ,去找找看吧。
·
(作者:ldh 时间:2002-07-12 11:47:12)- 分频器由18DB变为12DB后,相位就变了,如果要适应12DB的分频器,高频单元跟低频单元就必须不安装在一个平面上,实际上这你是办不到的。如果硬要保留原来的安装平面,那么由于12DB比18DB相位超前90度,那么必然导致频响曲线畸变。费尽力气带来的摩机好出也就都变为乌有了。
·
(作者:gene+ 时间:2002-07-12 13:12:12)- 分频器牵一发动全身,如果打算动大手术,建议干脆整个重新设计,再做一个分频器。原来的不动,还可接回去比较。
分频器建议用软件辅助设计,分别测装箱后高、低单元无分频器的响应,代入CAD软件设计分频器,再接入分频器试听,测试,调整。现在有用声卡的freeware可以完成全部上述步骤。自己需要准备一个话筒,并作一下数据补偿。
如果自己不做测试,网上也有一些别人做好的测试结果,可以去找一下。再不然,可以对着厂家的图,手工输入响应曲线的值。·
(作者:木子。 时间:2002-07-12 13:21:49)- 要反倒重来还是有难度的,在花精力不多的情况下,能获得比原来好的音色、音质我就比较满意了,做音箱这一环我的经验还很欠缺....需要学的东西太多,要上班、要考试、要发烧、要生活....,心有余而力不足哦!
·
(作者:gene+ 时间:2002-07-12 13:40:16)- 像老兄这样拿万元的箱子开刀的,已经很少见了。
·
(作者:elelee 时间:2002-07-12 17:07:30)
- 分频器牵一发动全身,如果打算动大手术,建议干脆整个重新设计,再做一个分频器。原来的不动,还可接回去比较。
-
·
出售cat sl1 sig mk3
(作者:小新 时间: 点击数: 559)
- 收藏
-
3年机,极少使用,原装胆,无任何摸改,外观9.5成新。包装、保用证齐。想尽快出售,不讲价。电话:13802468976。
-
·
各位喜欢号角的朋友!因本人功力有限,决定听从朋友劝告,想将手头上的一对阿哩金号角三号出售.
(作者:henry 时间: 点击数: 337)
- 收藏
-
《阿理》金号角Ⅲ号国产扬声器
《阿理》金号角Ⅲ号扬声器是《阿理》音响器材厂的金号角系列中最引人注目的型号(见本刊99年12月号的报导)。甫一问世,在国内几个音响大展中,即以出类拔萃的号角之音,征服了许多乐迷。
在小弟的试音室内,《阿理》金号角Ⅲ号扬声器循例煲炼一段时日后,便正式试听。甫一开声,竟然没有一般扬声器新箱时的局促、干涩的现象。随着煲炼日深,音色更趋通透、顺滑,高低伸延更好。
试听器材:CD转盘日产C.E.C.TL5100,解码器国产《华韵》DAC-1,前级广州郑氏土炮胆机,后级国产,《柴尔》300B分体胆机。线材:转盘至解码NBS Signature 11-D,解码至前级美国《超时空》P5000,前级至后级郑氏超导合金编织线,后级至扬声器vdH M.C.Magnum,电源线转盘,解码郑氏线,前后级是《超时空》P-SAC及P-AC。
试听软件有1.LA-001夏韶声《谙》2.EMI CDC7 47101 2帕格尼尼《第一小提琴协奏曲》,帕尔曼小提琴独奏,福斯特指挥皇家爱乐乐团。3.RCA09026-68530-2柴可夫斯基第一钢琴协奏曲,基辽斯钢琴,芝加哥乐团,指挥莱纳。
试听《谙》,300B推号角重播人声果然是最佳拍挡,夏韶声的磁性歌喉听来更丰厚、更洗炼、更具感染力,在伴奏中的钢琴晶莹透亮,充满动感。号角重播钢琴果然具有权威性的说服力。
听了《谙》后,再听帕尔曼的小提琴独奏的帕格尼尼的D大调《第一小提琴协奏曲第三乐章》(第三段)。金号角Ⅲ号除了在听人声时肉味十足外,在重播弦乐时也音色润泽而不失幼滑,更要命的是无时无刻在弥散着盎然木味。准备下重注做一对钢琴木制咀,与原有的Altec A5铁咀,交替而用。
再听柴氏《第一钢协》,那种淋漓尽致和令人通体舒畅的乐声是笔者接触过众多的传统球顶喇叭之中无法感受得到的。在音场再生能力方面,金号角也非比寻常,3D感真实明确,在长8.3米,宽4.6米,高3.3米的听音室里,当把Ⅲ号箱摆放离后墙2米,侧墙1米,距皇帝位3.2米时,便营造出穿墙破壁的深阔音场级触手可及的定位,比起笔者用作参考的Ensemble《瑞宝》PA-1小型书架箱的音场再生简直不逞多让。
如阁下喜欢地方戏曲,用号角播放此类曲目,保证大饱耳福,那种绝佳的临场感无可匹敌。金号角Ⅲ号重播任白戏宝《帝女花》时,除了附马、明朝皇帝崇祯等角色唱腔各有擅长之外,至于那些大锣、京钹、敲击、伴乐等棚面师傅简直似移驾亲临,传神备致。一向都注重低频控制力的金嵬杰先生设计Ⅲ号当然秉承其一贯作风,其每只箱体采用现金只10寸挪威的低音单元,在加减少于3dB的指数下潜至38Hz,低频有非凡表现,用《柴尔》845胆机推动,播《悲情城市》第一、第五段时,那排山倒海的鼓声汹涌而至,气势完全可与大摩后的Altec A5扬声器分庭抗礼。
极品级的号角扬声器总离不了巨大的箱体和扁阔的号角,给用家摆放带来诸多不便,但金号角Ⅲ号却以高挑的体态出现,这给酷爱号角,但又苦于聆听环境细小的乐迷提供选择机会。
设计
在国内率先开发圆形号角无疑是《阿理》音响器材厂的总设计师金嵬杰先生最严酷的挑战。在整整三年的时间,经历无数次的失败,耗费过吨的昂贵木料,抛置了上百只钢琴木制咀的废品……圆形号角终成大器。
初期Ⅲ号做出的雏形还未能尽善尽美,高端伸延不够,只好多
加了一只超高作补偿。直至99年金氏在不断行刺中,找到了突破口,如愿以偿,其圆号角可以从700Hz至25,000Hz平直地工作,根本不用加超高,如此宽阔的频率响应覆盖了中低频乃至超高频的范围,从而轻而易举地实现精确的相位、平滑的曲线(详见上页的Ⅲ号扬声器实测频响曲线),有效地解决了问题。金号角Ⅲ号的频应指标完全可以与一款设计优异的传统的球顶音箱一较高下。
Ⅲ号的圆号角采用德国制造三角钢琴的木料制造,也就是用木中极品的钢琴木,这种身价不菲的木料密度极高,不易变形,能作各种形状的精度加工,这种木料音色纯正,无音染是制作号角咀的最理想物料,唯一缺点是身价昂贵,令制作成本大增。
细观Ⅲ号箱体是合二为一的结构,顶端部分是圆形号角咀,负责700Hz以上的频率重播。尺寸是高18cm,宽32.8cm,深38cm,重15Kg。
端部份是由两只挪威10寸单元负责700Hz以下频率重播,上下部份叠加的尺寸是高119cm,宽32.8cm,深38cm。
整个箱体坚实无伦,顶端部份用厚达18cm的钢琴木,经熟练车工在高精度车床加工成渐开型木制咀号角,下端箱体的侧板厚达2寸,前后障板厚1寸,如此中型的座地箱体用料厚度实在惊人,每只箱重达51Kg。箱体贴了昂贵的金黄色马眼木皮,两侧则贴上深啡色酸枝木皮色调对比明朗强烈,两种木皮均呈对称排列,加上精巧的染工,更显示其非凡的身价。
打开接线板可窥见巨大的驱动器磁体及《阿理》扬声器靓声的绝活:分音器作搭棚式焊接。
Ⅲ号一分为二的长处无疑给搬动和摆位提供方便,我认为此其次也,更重要者用一套上乘的钉脚托起制咀部份,这样力求避免低音箱体部份的振动,传给肩负举足轻重的号角,从而令音色更细致和更通透,结像力更好。
上、下两部份可用不同角度分别调校以便适合不同环境使用。
号角音箱由于设计、用料和调校等连串问题,而导致研制周期长,生产成本重,故此造价高昂,致令大多数乐迷望而却步,实足憾事,眼前的金号角Ⅲ号定价四万五千元之巨,在内地扬声器当中,已近乎天文数字的级数,但较之进口产品比较,却又算是抵卖之列。
中国本土制造的第一对高级号角扬声器正好迎接新纪元的到来。
发烧李
摘自《发烧音响》第167期
[上一页]
·
(作者:henry 时间:2002-07-07 23:03:07)- 钢琴木圆形号角研制成功
广东《阿理》一鸣惊人
由广东省广州往南,跨越著名的洛溪大桥,转右横穿洛溪新城,经过南浦大桥,在莱茵别墅旁边,便是制造发烧级扬声器驰名的《阿理》音响器材厂,较早前笔者接到《阿理》金嵬杰先生知会,大号角已调试完毕可以试听。当然闻讯即至。
当进入厂部办公室时,一对巨大无比的大号角把笔者吓了一跳,雄伟的低音箱体再加上壮观的中音号角,以及小巧的超高,达至高195cm、宽125cm、深88cm的庞大体积。箱体外皮是高档的酸枝木皮,这对《阿理》旗舰的低音部分,每边各用两双16寸法国低音单元,负责150Hz至20Hz的低频重播,中高音用经加工处理的Altec 288B驱动器加上1005B 10格咀。加工的工程十分艰巨,做法是在1005B外围包一层18mm厚的中密度板架,再用铁砂及特殊配方的阻尼物质加热注入,以至填满1005B外围至木架之间的空隙。此举动用四个大汉,搬弄了一整天,经加工后的288B+1005B有75Kg重。据金氏讲,经处理后的大号角咀可除去铁皮咀有害的谐振,令音色更自然清纯,至于10KHz以上频段则由金氏精挑细选的单元,加上用钢琴木精造的小巧木号角,负责10KHz的高频重播。
箱体厚实异常,用手敲击时声音沉实,触感刚硬无比。这对定型为金号角5号的航空母舰,每只重达520Kg。
这么一对超级巨无霸放置在只有10平方米的地方,山人坐的距离不足2米,仿如有被两座小山压迫而来的感觉,但当把英国Musical Fidelity《音乐传真》X-Ray 24 bit CD唱机、及丹麦Bow Technologies《神弓》50W+50W合并功放启动播放音乐时,那种压迫感消失了,随之而来的是宽松开放和自然通透的悠扬乐韵。这对灵敏度高达110dB的大号角,用有50W*2的《神弓》去推,简直是杀鸡用牛刀了。当听了各类型的CD唱片后,无论人声爵士和管弦乐均有上乘表现。特别那铜味之浓郁和口沫四溅之形象足教人一听难忘,但音场与乐队层次则欠奉,以为环境太恶劣使然。在播放《炎黄第一鼓》时金氏稍把音量开大少许,那震耳欲聋的声压如近处行雷暴响,毫无超低频垫底的鼓声刚硬异常,听来不大舒服,只因空间太少,至今四只16寸法国低音单元无法一展所长。
接着是到《阿理》试音室再开眼界,这是一个经金氏精心设计和反覆调校的试音室。三十多平方米的地方摆了不下30对大小不一和形状各异的扬声器,这些都由金氏自己一手策划设计,当中每一款均溶合了设计者的心血与智慧。目睹有波音系列、贝利系列、《阿理》系列等型号作前后、高低两边的对称排列,这些音箱都如实地记录《阿理》起步与成长的历程。
金嵬杰来自关外,十二年前来广东,后几经转折搬迁至番禺大石,成立《阿理》音响器材厂。凭藉其自少与电声学投缘及一直对音乐的喜爱,潜心于扬声器的设计与制作。
在金氏主持下的《阿理》始终执行一条不折不扣的发烧原则,就是每件产品从构思、设计、调校,都一丝不苟,绝不放过任何一个薄弱环节。如5A落地箱的调校,竟达500次之多,这个25Kg重的5A落地箱,因校声来回(装配车间至试音室)搬动数百次。
今次除了得见金号5号扬声器雄姿之外,就是一睹金号角1号、2号、3号扬声器等各型号的庐山真面。
1号是一对哑铃式的大书架号角箱,2号是扁木号角的15寸低音三路落地箱,3号是圆木号角只10寸低音的落地箱。《阿理》试音室虽经金氏精心调校,奈何几十对音箱济济一堂,音效必然大打折扣,但在此等环境下,这几款新出炉的《阿理》号角竟然音效不俗,通透、细腻、活泼生动、宽松润泽的间色令人耳目一新。
转眼已是中午主人挽留用餐,饭后健谈的金氏打开了话匣,就当前内地音响市场形势及扬声器制
作的技术问题抒发了己见,对其观点和深入浅出的论述,笔者现在整理出来以飨读者。
金氏说,在音响方面很多测量,往往表现化,也就是说喇叭测量时候,有些指标是测量不了。现代技术对声频上的东西还摸索不到。比如说音色,现代就没有一个仪器能够测量音色出来。如邓丽君的歌很多人都会唱,你拿频谱校验,高八度、低八度能展示出来,但歌迷一下却能听出那是否是邓丽君唱的。能分辨出来,就是音色不同。
金氏举例说,二分频音箱分频点究竟选在哪里?是否按照常规理论,应该是选在平直部分一个倍频程以内,按照道理是对的,但实际情况有所不同,这样的选择可能测量结果挺好,但是实际听音上的音色又不一定是最美的。
又如分频器,有的很简单,有的很复杂,有的每倍程衰减量6分贝、12分贝,还有很徒的18分贝,甚至24分贝,那一种在仪器里测出来,频应曲线都很好,究竟用哪一种好和分频点选择,这就要靠设计师的功力了。
金氏说,《阿理》的音箱是在乎精,不在乎量,有多种型号很畅销。尽管有时缺货,但决不滥造,这是第一。
第二,《阿理》音箱从传统到号角共有30多个品种,传统音箱方面,都采用前倾式斜面板,这样做相位更同步。
第三,搭棚式焊制分音器是《阿理》一贯做法,不管低档,还是高档,全是这样做,由于没有线路板,尽管工作量大,但减少了焊点,声音质素较佳。
金氏自豪地说,他的号角单元是外国厂家按其要求订做的,既保持像Altec高贵音色,但又不用加超高可平直去到两万周。你可以感觉到它的空气感和高频细节。
当笔者问及金氏最近研制的号角与经典的号角分别时,金氏振振有词地讲,铁皮的号角不管从哪个角度来说都有音染,要彻底消除音染只有用木头开发,最好选用昂贵的钢琴木,因为钢琴木密度奇高,在车床加工不容易崩裂,稳定性也好,不容易变形,声音出来真正没有音染。加工出来的号角咀,厚得要命,重得要死。
《阿理》现在研制成功共5款号角。
1号是大书架箱,是用两支5寸作哑铃式放音,中间夹一个号角,灵敏度达95分贝,只有这款不是钢琴木,是注铝号角,所以造价平得多,只卖几千块。这箱最大的特点是相位平衡度好,另外阻抗曲线也很平直,这意味很好推,低频潜得也非常低。
2号角是呈六角形结构,低音部分采用15寸单元,六角以外编造成一个圆网状,这款喇叭的灵敏度颇高,95分贝,用单管300B也能爆起来,这是能真正爆起来,具有弹性低音,金氏说,在四川省成都市展示这对音箱时,电台录音总监听了以后激动地说:“这才是真正现场一样。”金氏还说,2号箱售价不贵,才二万八千元。
3号箱采用钢琴木开发出来的圆形号角,厂方搞了几年到现在才成功。他说圆形要比扁形的好,扁的号角到1万千周,高频就开始下跌,只有加超高音补偿,而圆号角就不同,它可以到20千赫,而且很平直,不用加超高音,也就是说金号角3号是厂方一款杰作。其中试验过各种的形状(号角咀)才予定型,这个号角把驱动器的潜质都能发挥出来。
金氏自豪地说:“要听我们的3号箱子才真正感到大号角的真正魅力。”
言至于此,不觉红日即将西沉,艳丽的余辉给《阿理》厂房披上耀眼的金光,我在归途上仍然念念不忘3号音箱那个圆形号角的诱人钢琴木的纹理。
发烧李
摘自《发烧音响》第165期
·
(作者:henry 时间:2002-07-07 23:30:07)·
(作者:jimxu 时间:2002-07-08 22:27:37)- 在MF的产品系列中档次如何?声音是什么特点?这些好象是多年前的产品了,不知价格多少?
·
(作者:henry 时间:2002-07-08 22:38:59)
老音響迷談老器材
劉仁陽 ?埖潺R 黃鴻鈞 李陵 楊德宜 江俊德 賴英智
劉仁陽
光?俁osewood
這也是過去我使用的唱頭之一,日本器材在聲音的表現上,往往很難受到日本以外音響迷的青睞,但這顆光?偝?^卻是出乎意料的好。經過適當的調整之後,中頻段的質感已達藝術境界,空前絕後的表現經常讓我懷念不已。聽聽光?俁osewood唱頭播放小提琴演奏,逼真的擦弦質感以及?娏业南浒骞缠Q,感動得讓人由衷佩服,甚至勝過目前使用高科技設計的?源器材。可惜我的光?俁osewood已經過度使用,在無法?得新品的情況下,留下永遠的回憶。
Leedh CD F1 Classic
是不是寫錯了?為什麼沒聽過這個牌子?原因很簡單,如果您沒聽過這個?S牌,表示您的音響年資還不夠,Leedh其?就是法國Micromega的前身。根據路邊社非證?報導,創辦Leedh公司的老闆,自?陌袻eedth公司經營起?碇?峋兔撌忠兹耍??斫洜I者承襲Leedh的外型,但?S牌名稱則改為Micromega。因此Leedh Classic CD轉盤不但停產,而且連?S牌都消失了,有沒有辦法找到二手產品,就得看您的運氣了。同時期的Leedh CD轉盤有兩型,側板加木邊的是Classic普通型,聲音較佳;而側板無木邊的為Pro型,相較之下反而遜色一些。這部轉盤是我認為至目前為止聲音最豐厚的轉盤,半年前我手上的Leedh Classic因為使用長期使用,雷射頭壽終正寢無法修?停?缓酶鼡Q成修改過的Vimak DT-1000以及Proceed PDTⅡ轉盤。
Proceed PDTⅡ
很意外吧!很多人以為只有高價的轉盤才能搭配最嚴苛的大型系統,?際上若您真的以聲音表現論器材價格,這一部外觀方正不花俏的轉盤,售價至少要賣到百萬元才行。具有百萬元聲音表現的Proceed PDTⅡ有那些特點呢?首先它聲音的能量特別?姡?壳霸S多CD轉盤聲音過於柔弱秀氣,遇著大氣勢時裹足不前;它的中低頻厚度及量感目前幾乎無人能及(Leedh Classic以及PDTⅠ例外),只要系統夠標準,換上Proceed PDTⅡ轉盤之後就可以輕易查覺這項獨門的特色。很奇怪,這麼好的器材怎麼反而出現在Mark Levinson的副品牌身上呢?
Theta GⅢ數?轉換器
幾年前當Theta設計者「嗎啡」先生到家中聆樂時,?乃?谥袑β曇舻挠^念與認知,就可以推敲出這部Theta GⅢ的聲音走向。他喜歡聽現場音樂輕鬆的發聲特性,也注重兩極延伸的規格與響應,瞬間的暫態反應、?姶蟮哪芰俊?娏业男n擊性、寬?V的音場以及逼真的質感,都是他所追求且喜好的,而我認為這也是一部好器材至少應該具有的基本條件。聽過諸多數?轉換器之後,我認為Theta GⅢ不但是表現最佳的數?轉換器,也是Theta的巔峰之作。選擇Theta GⅢ時,盡量以沒有加裝HDCD解碼晶片、高電平大輸出、?比平衡輸出為佳。另有一款加裝前級音量控制器的Pre版本,聲音較瘦弱,不予推薦。
Audio Research LS5 MKⅡ(早期產品)
系統用得越大的時候,對於器材表現的要求就會越?碓礁撸?曇舨粔蝻?M、兩極不夠延伸、音場不夠寬?V,前級也必須負擔一部份責任。在這裡推薦的是早期的Audio Research LS5 MKⅡ前級,內部使用十支真空管,看起?黼m然令人擔心這些真空管的狀況,但其聲音卻是一等一的好。音色透明音質也高貴,雖然不是目前價格最高的前級,卻有最高級的表現。我曾經與賴英智聽過前、後兩個時代生產的LS5 MKⅡ,在零件完全相同的情況之下,竟然有兩種截然不同的表現。早期生產的LS5 MKⅡ在聲音上更具有輕鬆寬?V的氣度,是預算有限音響迷的第一選擇。
mbl 6010(早期產品)
如果您的預算充足,大約1990年以前生產的mbl 6010最值得推薦。就外觀?砜矗琺bl 6010算得上是造型最經典的前級,早期的產品採用整塊鋼板作為面板,外殼則請製造史坦威鋼琴的?S商負責烤漆處理,聲音與外觀真正達到了藝術的境界。mbl生產頂級器材時,會特別以測試儀器進行材料篩選,最高級的IC就使用在mbl 6010身上,因此它雖然採用簡單的IC製成,經過了仔細的調聲之後,自然出現無人能及的優?表現。與LS-5 MkⅡ前級比較起?恚琺bl 6010具有更輕鬆的發聲特性,全頻段能量更在LS-5 MkⅡ之上,雖然是半導體器材,卻擁有真空管在聲音上的所有優點,?K且進一步超越之。如果您找得到狀況如新的mbl 6010,聆聽音樂足夠矣!
Musical Fidelity A-370.2
又是一部Musical Fidelity的後級,它的年份比F-18更久,而且它正是我目前驅動GenesisⅡ的現役後級。與F-18相同,它們的體積都不是小兒科等級的產品。A-370.2工作時稍有溫度,機箱高度幾乎是一般後級的兩倍,重量更不落人後。輸出功率只有170瓦左右的A-370.2究竟有何能耐呢?首先它推得動GenesisⅠ喇叭,再者它面對B & W 801、Magnepan MG20以及GⅡ.5、GⅡ等大食喇叭時面不改色氣不喘。小音量或大氣勢時,高、中、低頻比例不會改變,不若某些後級在大音量下,中低頻有容易軟腳退縮的現象。依據長期使用的經驗得知,世界上若有MF A370.2推不動的喇叭時,該填海的不是擴大機,恐怕是喇叭的設計有問題了。
Musical Fidelity F18
這是我過去曾經使用的後級之一,它的體型巨大、重量誇?垺⑼庥^則圓滑秀氣,但聲音卻充?M著雄壯威武的氣勢。F-18內部使用真空管放大,?K與電晶體結合成為一部混血後級,輸出功率大約200瓦左右。與許多重量級後級相較,不但在音質上一點都不臉紅,推力更有凌駕之勢,是一部推力與聲音兼具的後級擴大機。MF器材推?出新的速度極快,但製造品質則不甚穩定,由於F-18的體積龐大,內部使用功率元件數量多,挑選二手產品應要注意器材狀況以及變壓器品質,巨大的變壓器或多或少會出現低頻振動的噪音,若有機會找到狀況良好的F-18後級,世界上幾乎沒有推不動的喇叭了。
GenesisⅡ
現場音樂充?M著無法計算的能量,不論是鋼琴獨奏或整個交響樂團的演奏,弱奏與?娮嘀?g的動態對比往往讓許多音響器材顯出無奈之處,除非使用大型揚聲系統,才能縮短與「現場」以及「中性」要求的距離,盡量接近完美的地步。大型揚聲系統?娬{的不完全在大音壓的項目上,要獲得大音壓可以使用號角喇叭輕易達成,巨細靡遺才是好系統具備的要件。弱奏時,輕敲三角鐵可以聽出裊裊環繞的細微振動;?娮鄷r,數十顆單體全力輸出,用盡一切力氣重建現場氣勢。忠於現場不就是「中性」的具體表現嗎?想要獲得如此享受,GenesisⅠ應該列為第一目標,不然已經停產的GenesisⅡ則是毫不考慮的第二選擇。
GenesisⅡ.5
TAS總編輯HP近十年?淼膮⒖祭?戎挥袃蓚?放疲?鼈兪荌nfinity IRS-V以及GenesisⅠ,也都是Arnie Nudell不同時期的作品。當Arnie Nudell自立門戶成立Genesis之後,我就?倪@款GenesisⅡ.5開始試探Genesis的產品,結果令我相當?M意,以至於更換為目前的GⅡ、GⅠ兩套系統。GⅡ.5對於進階級的發燒友?碚f相當適合,由於高音單體數量較少,因此高頻段能量較好控制,?S方設定好的電子分音超低音相較之下也容易調整,幾乎在試聽室中一擺,就能發揮及格的表現。初次接觸GⅡ.5的音響迷,會對「低頻」以及「極低頻」重新定義,雖然在量感上仍不及四件式的GⅡ、GⅠ,但您會?腉Ⅱ.5身上發現過去?奈绰犨^那一段頻率的聲音,那是相當新鮮有趣的經驗。
B&W 801 MKⅢ(早期產品)
請資深音響迷推薦最適合入門Hi-End領域的喇叭,`B&W 801獲得的票數一定最多,為何如此受到歡迎呢?最主要的原因當然還是價格與聲音表現。但說?在話,我也僅在兩個地方聽過表現最佳者,推敲其原因是大部分的人會照單?買器材,但卻疏於對器材的細心調整,以至於坐擁高級器材,卻發出普通聲音。在此推薦早期的第三代801,當時一位音響迷使用Hafler大功率擴大機驅動,表現皆已達到最高要求。充份驅動的B&W 801,能量驚人而且聲音相當中性,您也絕對想像不到12吋的低音單體也具有震屋瓦的?力,只可惜這樣的聲音已經日不?鸵姟a崞?01 MKⅢ則加?娏酥懈哳l的響應,相較之下較缺乏溫?櫟囊羯??{整的挑戰性更高。
老音響迷談老器材
劉仁陽 ?埖潺R 黃鴻鈞 李陵 楊德宜 江俊德 賴英智
黃鴻鈞
光?俁osewood
對於這顆唱頭有兩個遺憾,遺憾之一是?奈丛谧约旱南到y上使用;遺憾之二是它已經停產了。我僅曾經在劉顧問的系統上聽過這顆唱頭的表現。這個唱頭最大的魅力,也是其他唱頭所無法企及的,就在於弦樂的質感以及歌唱人聲的美感,特別是巴洛克音樂,歌劇演唱者的喉聲能量無人能及。除了能量之外,女高音或女歌手的聲音毫不尖銳,就像真人在唱歌,毫無粗糙感覺,而且非常甜美。透過光?俁osewood唱頭拾取LP上的溝痕,您絕對無法想像唱片罐頭音樂,也可以發出這樣的真?甜美音樂。只可惜製造唱頭的老先生已經退休,唱頭由他兒子繼續接手,如果有機會見到此唱頭,應該毫不考慮立刻買下?怼_@顆唱頭有多迷人呢?本人十月份將專程至日本尋找此唱頭,這樣的背書夠肯定它的價值了吧!
Theta GⅢ
過去我使用Mission PCM 7000 CD唱盤,長期使用之後掛點故障,因此開始尋找適用的唱盤。當時Theta GⅢ已經絕版,市面上正風行升級過後的Theta GV,因此二手市場出現了數量相當多的GⅢ。聽?膭㈩檰柕慕ㄗh先買進GⅢ,日後再慢慢尋找轉盤。我曾經與Sonic Frontiers SFD-2 MKⅡ比較,Theta GⅢ在動態及弦樂的表現上皆比SFD-2MKⅡ更好,而且GⅢ使用半導體,沒有真空管老化的問題,壽命不用擔心。唯一缺點為無法使用平衡輸入,因為多次?驗之後,平衡數位線聲音有比RCA數位線好聽的趨勢。如果尋找二手GⅢ,也建議找到具有平衡輸出者為佳。
Audio Research LS5 MKⅡ
很不好意思,倒不是捧我自己使用的器材,因為我目前正使用這一部前級。我一直喜歡Audio Research的產品,過去使用Infinity IRS Beta喇叭的時候,我使用SP-11前級以及M-300單聲道後級,不論喇叭或擴大機,兩者在當時皆創下了「高透明度」的新境界。SP-11為電源分離設計,內部使用六支真空管,升級為LS5 MKⅡ之後,真空管劇增為十支,但卻擁有更高的解析力及透明感,同時聲音也更溫暖,而且發聲能量更?姡?坏?舷聝啥说难由旄?眩?寺暭跋覙返馁|感皆在SP-11之上。LS5 MKⅡ可以說是非常厚聲的前級,相較之下SP-11就比較明亮,?K且稍瘦一些,不太適合現代的系統。LS5 MKⅡ也?K非全無缺點,不太容易控制的遙控器,且全平衡式設計也阻隔了LP用家在器材搭配上的?椥浴R驗長S5 MKⅡ?K無Phono設計,且大部分的唱頭放大器皆為單端設計,雖然可以轉接使用,但總是美中不足。
Counterpoint SA-4
這是少見的OTL加上OCL的設計,這種設計有個特色,當喇叭歐姆數越低的時候,其輸出功率便越差;但當阻抗提昇時,其輸出功率反而會提升。當時曾經以SA-4後級搭配15歐姆的Rogers 3/5a喇叭,表現相當優秀,SA-4幾乎可以說是Rogers 3/5a的最佳拍檔。由於輸出功率受限於喇叭的阻抗,因此不建議搭配阻抗過低的喇叭。Counterpoint SA-4後級使用的6LF6真空管在市面上比較難找,而使用SA-4時一定要注意散熱的問題,不論加裝風扇或拆掉機殼吹冷氣,只要散熱良好,SA-4就可以穩定快樂的工作。
Krell KSA 100(風扇版本)
這是Krell的成名作,採用純A?設計,?K且曾經造成市場轟動。因為當時市面上出現了Apogee喇叭,它的低阻抗特性把當時的名機一一考倒,燒機掛點者不在少數,當時能夠完美驅動Apogee的後級,首推Krell。過去我使用Infinity IRS Beta的時候,也曾經使用Krell KSA 100負責低音柱,除了推力驚人以外,聲音質感也值得稱讚。它的聲音相當細?,弦樂非常耐聽、好聽、溫暖,鋼琴顆粒感質感佳,人聲及各方面的表現絕對是頂級名機的典範。
Musical Fidelity F-18
Musical Fidelity F-18後級幾乎可以說是B&W 801的絕配,以預算上?碚f,如果買得起B&W 801喇叭,F-18的售價剛好與801相配,用家也許願意?買更昂貴的器材搭配,但效果不見得會比F-18好。曾經使用難推喇叭的用家,都有一個共同的經驗,擴大機輸出功率越大,聲音質感往往越差,但聲音質感好的擴大機,往往輸出功率又不足,經常陷於兩難的窘境。當然F-18不只能推801,其他難推的喇叭也沒有問題,以它的表現而言,足以與三、四十萬元級後級相較而不會退陣,可見?力之堅?姟Ec我目前使用的mbl 9006相較呢?若以一部後級驅動GenesisⅡ喇叭,mbl 9006不見得全面勝過F-18 ,F-18的中低頻較9006?妱牛??006中高頻的質感又勝過F-18。如果每聲道各使用一部後級驅動,9006就有把握全面勝過F-18了,但此時9006的價格早已超過F-18太多了。
GenesisⅡ
過去嚮往大喇叭的氣勢,找到機會?進Infinity IRS Beta四件式喇叭之後,才發現原?磉@對喇叭與想像中是完全的兩回事,?進喇叭之後夢靨才剛開始。Infinity IRS系列確?讓喇叭的設計,造就出一種全新的趨勢,喇叭開始很?娬{細微的解析力以及誇?埖臉O低頻延伸,但往往也讓喇叭開始變瘦變尖。GⅡ基本上不能把它想成是IRS Beta的升級版,因為相對IRS Beta而言已經是完全不同的設計。GⅡ的個性更溫暖、動態更大,聲音更中性且承受功率也加大,幾乎所有IRS Beta的缺點在此一掃而空。GⅡ最大的突破在於奉送用家的專用超低音擴大機,這真是一項體貼用家的超級福音。以前必須另?一套擴大機推IRS Beta低音柱,為了這部擴大機,往往傷透腦筋而難以解決,許多用家花了錢還不一定能搞定,但Genesis已經把大部分難題都解決了,您唯一要做的就是好好搞定擺位以及設定參數就行了。
Genesis GⅡ.5
如果您沒有很多時間也沒有很大的空間,調整音響的功夫也沒有十分的把握,偏偏心中又想使用大喇叭時,GⅡ.5就非常適合您使用。Arnie Nudell確?對於設計喇叭很有一套,以目前市面上的喇叭而言,相同價位要突破GⅡ.5、GⅡ等喇叭的表現非常困難。這款喇叭的優點相信其他主筆已經詳述了,對於有心進階的音響迷,我要給予的意見是:如果見到GⅡ.5出現在二手市場時,一定要想辦法在第一時間搶下,市面上有很多人隨時密切注意這對喇叭,遲了就怕買不到!
ProAC Tablette
記得多年前認識李富桂先生的時候,曾經在他家聆聽Rogers 3/5a 15歐姆版,那裡的聲音讓很多人留下深刻的美聲印象,大家也普遍以為Rogers 3/5a 15歐姆版本是小喇叭的極限。但自?腜ro AC Tablette出現之後,讓我對於小喇叭有更大的驚訝,深深體會到小喇叭也能夠營造出更大的空間感。Tablette的中高頻以及弦樂質感,完全不輸給Rogers 3/5a,兩者皆具有第一流的音質,但Tablette可以營造出比3/5a更大的能量、透明度、音場以及動態等,這些都讓小喇叭的極限再向前推進一些。但Tablette系列後?黹_始改款,聲音也逐?u走了樣,越更新的版本聲音越瘦,已經逐?u失去了過去甜美的質感,人聲及樂器的質感不若過去聆聽時的感動。
Rogers LS3/5a(15歐姆版本)
回想起?淼谝淮我娮R到所謂的三度空間音場,就是十幾年前在李富桂家裡聽到的那套組合,當時的器材搭配為Rogers 3/5a加上Rogers超低音,?K使用Quick Silver 60瓦管機驅動。而播放的曲子當中,令我印象最深刻的莫過於西?流士的芬蘭頌,這套組合發出的弦樂,一片一片地撲向聆聽者,聲音的質感極為柔美,真所謂絲綢般的光?稍诖酥噩F,感動得全身都起雞皮疙瘩!當時大家都肯定Rogers LS3/5a為小喇叭的經典之作,直到Pro AC Tablette的出現,才威脅到3/5a的地位。但隨後Tablette不斷改款,以不變應萬變的3/5a反而繼續穩坐寶座,一直到現在,3/5a傳奇仍然不斷被各階層音響迷所津津樂道。
·
(作者:henry 时间:2002-07-08 11:14:38)
