首页
新闻动态
新闻速递
新品展会
行业访谈
经典专题
专题论坛
沧海遗珠•玄音杂谈
浩瀚古典
全频,号角,单端
PC-HIFI与耳机耳放
永远的BBC
百万俱乐部
音响的方向
黑胶天地
西电之家
品牌用家
排行榜
二手器材
成品区
音箱
功放
音源
线材
AV器材
其他器件
材料配件区
电子管,管座,变压器
电感,电阻,电容,电解
接插头座,线基,焊锡
单元,分频与箱体
LP配件
垫材和架子
电位器,运放与套件
电源处理与其他
碟片区
爵士与蓝调
摇滚
古典
欧美日韩
示范,轻音乐与电影音乐
中乐与华语
经典视频
好碟介绍
大师榜
音源
古典音乐
爵士
摇滚
中乐
电影原声
轻音乐
欧美流行
华语
日韩
其他
视频
经典演绎
动手DIY
胆机
扬声器
音源
线材与配件
材料元件
铭器线路与高级定制
经验心得
交友家访聚会
试听点•评测
家访
交友
聚会
音响行
淘宝链接
请您
【
注册
】/ 【
登录
】
当前位置:
首页>专题论坛>
·
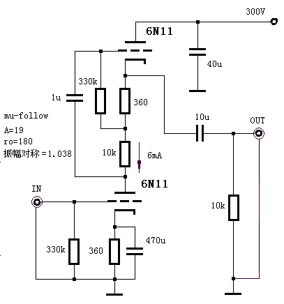
6N11 mu-follow电路
(作者:
j
时间: 点击数: 744)
mu-follow电路,SRPP电路的一种改进类型,其输出电压是对称的,可有人说还是不对称的SRPP好听,有兴趣者不妨一试。
·
(作者:
ldh
时间:2001-06-05 18:43:25)
这个电路的最初设计还应该在上面管子的屏极上串联一只电阻,我也是在日刊上看到的,并实践了它,不知道是心理还是其他原因,就是觉得普通的SRPP电路来得更有韵味些。尽管这个电路的失真实测要优与普通电路。
·
(作者:
j
时间:2001-06-05 19:56:35)
·
(作者:
ldh
时间:2001-06-05 23:19:06)
已经超过单管最大极限电压130V不少了,同时上管的阴极电位也达到了6N11的最大阴极灯丝电压150V,虽然未必就有问题,可总不能放心使用。
·
(作者:
j
时间:2001-06-06 08:20:37)
6N11 P-K电压是120V,两管间10k电阻上有60V左右压降,故可300V供电的。至于灯丝悬浮电压,可用到130V左右,这样对两管的K-H电压都不会超过应用限制。
·
(作者:
ldh
时间:2001-06-06 09:00:34)
·
(作者:
j
时间:2001-06-06 10:21:29)
作为技术派的观点,这个电路还是不错的,声音基本是中规中矩,速度也比较好,而醇厚就难与共阴极放大相比了,较为适合不大吃甜食的朋友。
·
(作者:
ldh
时间:2001-06-06 12:53:25)
我要回复
回复:
上传图片
最大5M,支持jpg,gif,png格式。